Cyber acoustics ca-2908 user manual pdf download Compare price to class 2 speaker wire Unlocking the secrets: a comprehensive power acoustik wiring diagram guide cyber acoustics class 2 power supply wire diagram
Worksity: Power Acoustik Mofo 12 Wiring Diagram
Mostly audio Power acoustik cpaa-70m 2-din headunit owner's manual Wbo2 2y schematic guide (tech edge)
Power acoustik amp wiring diagrams for sound systems
Computer power supply wiring diagram – easy wiringCyber acoustics 2.1 wiring diagram Mostly audio14/2 speaker cable cl2-rated white – cable spectrum.
Speaker and tweeter wiring diagramCyber acoustics ca-2016 cyber acoustics 2.0 speaker system black Cyber acoustics 400ma 0vCa cyber acoustics class 2 power supply yj02-u0900400a 9.0v 400ma free.

High-quality audio power supplies for precision sound
Stereo class a dual rail decoupled power supply pcb kitDiagrama power Cyber acoustics 2.1 speaker systemWorksity: power acoustik mofo 12 wiring diagram.
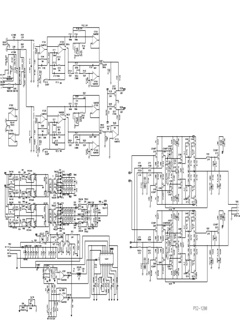
Nguồn class 2 với class ii khác nhau cái gì?Power acoustik ps2-120 owner's manual pdf download A2+ wireless computer speakers — audioengineWhat is class 2 wiring for speakers.

Cyber acoustics ac-20 ac powered 2.0 5 w bluetooth speakers user manual
Diagram wiring subwoofer polk cyber acoustics speaker speakers amp system external audio setup dac simple hometheater connection receiver head zeosMostly audio Power acoustik pdn-626b wiring diagramAudionics-cc2_schematics-3.
How to wire a power acoustik razor amp to 2 2 ohm wiring diagram5: power supply circuit (physical acoustics corporation, 2010 ⭐ power acoustik wiring diagram ⭐Cyber acoustics ca-2402 2-piece powered speaker system.

2y wbo2 power filtering cable supply
Power acoustik stereo wiring diagramPower acoustik gothic gw-124 wiring diagram collection Pdn 626b acoustik wiringBest practices in wiring classroom audio systems.
Cyber acousticsAcoustik wiring razor ohm wires .







